Smart Select
Projects
Live
Webinar
Smart Select
Live
Webinar
Compare Quotes with
AI
AI
For Homeowners
For Professionals
Er CEESHNA SURESH
Architect | Ernakulam, Kerala
1500 sqft housing plan . with 3 BHK . open kitchen and a beatiful courtyard space near dining. #architecturedesigns #homerenovation #KeralaStyleHouse #interior_courtyard #openkitchendesign
18
0
More like this
Indrajith Asokan
Civil Engineer
Our new design - Location: Mulankunnathukavu, Thrissur with 4 attached master bed rooms, car porch, Seperate guest - family Living space, Pooja space, Ample Dining space, Internal balcony, courtyard, Open kitchen & Working kitchen, Private Gym space, Upper living & Balcony. Area - 2980.0 sq.ft #ContemporaryHouse #best_architect #modernhouse #ricastle
Offset Builders and Interiors
Civil Engineer
Area : 1190 sqft Construction Cost : 16.66 Lakhs Catagory : 3 BHK Construction Period : 6 - 8 Months Ground Floor : Sitout, Living and Dining with Court Yard, 2 Bedroom With Attached Bathroom, Dressing Room (Master Bedroom), Normal Bedroom, Open Kitchen, Utility Space, Work Area, Common Toilet ENGINEER | CONSTRUCTION | INTERIOR DESIGN | 8086 85 9658 . . #InteriorDesigner #HouseDesigns #HomeAutomation #HomeDecor #KeralaStyleHouse #CivilEngineer #CivilContractor #Thrissur #OpenKitchnen
₹1,666,000
Labour + Material
DEEPU S KIRAN
Architect
The art of Contemporary Contemporary house design emphasizes a direct connection between indoors and outdoors...Almost all contemporary house’s shares common design elements such as tall, irregularly shaped windows; bold geometric shapes; and asymmetrical facades and floor plans. Interiors contain neutral elements and bold colour, and they focus on the basis of line, shape and form. Concept drawings for 2000 sq.ft 3BHK Luxury home plan and elevation includes 2 car parking, veranda, foyer, formal and family living area, dining, patio, open kitchen and fire kitchen, work station and home theatre. Talk to our designers to get free design. +91 95 444 900 53 ll +91 98950 79 149 E-mail: propertiesgreenhome@gmail.com YouTube: green home properties Plan ll Working Drawings ll Submission Drawing ll Structur #FloorPlans
₹125 per sqft
Labour Only
Sanjay P Kailas
Civil Engineer
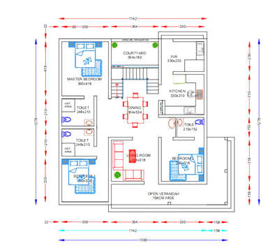
A well-planned 3BHK single-storey house of around 1250–1300 sq.ft, featuring a spacious living room, central dining, bright courtyard, master bedroom with attached toilet, functional kitchen with work area, and a welcoming open verandah. Designed for comfortable family living with excellent ventilation and efficient space use. #FloorPlans #modernhome #courtyard #3BHK
ASN BUILDERS
Civil Engineer
“PAVITHRAM” Our recently completed project at kottayam Client- Mr.Manu & Sreeja Area - 2040 sqft Land area - 9 cent This is one of our completed project at kottayam. It’s a 4 bed room home with 4 attached toilets ,two bed at ground floor and two at first floor ,with one balcony and sit out ,dining area with court yard and open kitchen and it also includes a utility area over the top of first floor for washing and drying clothes..2000
₹5,000,000
Labour + Material
DEEPU S KIRAN
Architect
The art of Contemporary Contemporary house design emphasizes a direct connection between indoors and outdoors...Almost all contemporary house’s shares common design elements such as tall, irregularly shaped windows; bold geometric shapes; and asymmetrical facades and floor plans. Interiors contain neutral elements and bold colour, and they focus on the basis of line, shape and form. Concept drawings for 2000 sq.ft 3BHK Luxury home plan and elevation includes 2 car parking, veranda, foyer, formal and family living area, dining, patio, open kitchen and fire kitchen, work station and home theatre. Talk to our designers to get free design. +91 95 444 900 53 ll +91 98950 79 149 E-mail: propertiesgreenhome@gmail.com YouTube: green home properties Plan ll Working Drawings ll Submission Drawing ll S #ContemporaryHouse
₹125 per sqft
Labour Only
Kerala Designs
Service Provider
2600 Sqft | Trivandrum Client: Mr.Rahul & Dr. Archana Location: Peroorkada, Trivandrum Plot: 5.8 Cents Area: 2600 Sqft A minimal Residential design with 2 rooms on ground floor , 2 rooms on first floor & one study room, living area on both floors , Sit-out & Balcony , open kitchen & dining area with patio , Stair room with small courtyard space. Designing Team - Aafic .B @aafic Company Name - Redot Designlab @re.dotdesignlab Location: Trivandrum Contact: 8129284100 Photography by Outoffocusar Kolo - India’s Largest Home Construction Community :house: #home #keralahouse #koloapp #keralagram #reelitfeelit #keralagodsowncountry #homedecor #enteveedu #homedesign #keralahomedesignz #keralavibes #instagood #interiordesign #interior #interiordesigner #homedecoration #homedesign #homedesignideas #keralahomes #homedecor #homes #homestyling #traditional #kerala #homesweethome #architecturedesign #architecture #keralaarchitecture #architecture
SHINING ARCHITECTS
Architect
🏡✨ Compact. Functional. Beautifully Designed. ✨🏡 Here’s a modern single-storey home plan that proves great design isn’t about size — it’s about smart space planning! With just 1196 sq.ft, this layout is a masterpiece of efficient modern living crafted for comfort, style, and practicality 💫.This 3BHK home includes a welcoming sit-out, spacious drawing room, connected dining, and an open kitchen with utility area, perfectly blending openness with privacy 🍃. Each bedroom comes with attached toilets and wardrobes, ensuring luxury in every corner — ideal for small to medium families who dream of a serene and balanced lifestyle. Architecturally, this plan follows clean modern lines, ample natural light, and functional zoning, creating a perfect balance between aesthetic appeal and everyday usability 🌞🏠 #ModernHousePlan #SingleStoreyHome #CompactDesign #3BHKHomePlan #KeralaHomes #SmartLiving #OpenKitchenDesign #ModernFloorPlan #SmallHouseBigDesign #FunctionalArchitecture #MinimalLiving
Kerala Designs
Service Provider
2600 Sqft | Trivandrum Client: Mr.Rahul & Dr. Archana Location: Peroorkada, Trivandrum Plot: 5.8 Cents Area: 2600 Sqft A minimal Residential design with 2 rooms on ground floor , 2 rooms on first floor & one study room, living area on both floors , Sit-out & Balcony , open kitchen & dining area with patio , Stair room with small courtyard space. Designing Team - Aafic .B @aafic Company Name - Redot Designlab @re.dotdesignlab Location: Trivandrum Contact: 8129284100 Photography by Outoffocusar Kolo - India’s Largest Home Construction Community 🏠 #home #keralahouse #interiordesign #koloapp #keralagram #reelitfeelit #keralagodsowncountry #homedecor #enteveedu #homedesign #keralahomedesignz #keralavibes #instagood #interior #interiordesigner #homedecoration #homedesign #homedesignideas #keralahomes #homedecor #homes #homestyling #traditional #kerala #homesweethome #architecturedesign #architecture #keralaarchitecture #architecture
DEEPU S KIRAN
Architect
The art of Contemporary Contemporary house design emphasizes a direct connection between indoors and outdoors...Almost all contemporary house’s shares common design elements such as tall, irregularly shaped windows; bold geometric shapes; and asymmetrical facades and floor plans. Interiors contain neutral elements and bold colour, and they focus on the basis of line, shape and form. Concept drawings for 2000 sq.ft 3BHK Luxury home plan and elevation includes 2 car parking, veranda, foyer, formal and family living area, dining, patio, open kitchen and fire kitchen, work station and home theatre. Talk to our designers to get free design. +91 95 444 900 53 ll +91 98950 79 149 E-mail: propertiesgreenhome@gmail.com YouTube: green home properties Plan ll Working Drawings ll Submission Drawing ll Structural #floorplan
₹125 per sqft
Labour Only
Kolo
Kerala
Architect
Er CEESHNA SURESH
1629977600
Join the Community to
start finding Ideas &
Professionals